Технические характеристики и область применения фланцев DIN 2627
Стандарт DIN 2627 определяет конструктивные параметры и технические требования к приварным встык воротниковым фланцам, рассчитанным на эксплуатацию при экстремальном номинальном давлении PN 400 (400 кгс/см²). Данная номенклатура охватывает диапазон номинальных диаметров от DN 10 до DN 200.
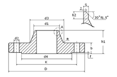
Конструктивно изделие представляет собой соединительный элемент трубопроводных систем, сосудов под давлением, насосного и компрессорного оборудования. Фланец состоит из диска с отверстиями под крепеж и конического воротника (neck/hub), который обеспечивает плавный переход сечения и высокую прочность сварного шва при монтаже встык.
Техническая документация стандарта регламентирует геометрию изделия, физико-механические свойства материалов, требования к обработке уплотнительных поверхностей и массогабаритные показатели. Процессы производства, протоколы приемки и маркировка продукции опираются на нормы DIN 2519, а выбор геометрии контактных поверхностей осуществляется согласно DIN 2526.
Используемые марки стали
- Коррозионностойкие (нержавеющие) стали.
- Углеродистые конструкционные стали.
- Низколегированные и высоколегированные стали.
- Жаропрочные марки для работы в условиях высоких температурных нагрузок.


Важное примечание: Стандарт DIN 2627 на текущий момент переведен в категорию архивных. Сегодня проектирование и изготовление фланцев данного типа осуществляется в строгом соответствии с актуальным международным стандартом DIN EN 1092-1 (тип 11B). По вопросам подбора аналогов и поставки продукции обращайтесь к специалистам EV Group China.