Технические характеристики и область применения DIN 2633
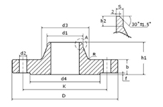
Стандарт DIN 2633 регламентирует геометрические параметры и конструктивные особенности воротниковых фланцев (приварных встык), предназначенных для эксплуатации в трубопроводных системах при номинальном давлении PN 16 (16 кгс/см²) и условных проходах в диапазоне от DN 10 до DN 2000.
Данный тип соединительной арматуры конструктивно представляет собой диск с отверстиями под крепежные элементы (болты или шпильки) и конический выступ (воротник/шею), обеспечивающий плавный переход при сварке встык. Такая форма минимизирует концентрацию напряжений в зоне соединения, делая деталь оптимальной для работы под давлением.
Техническая документация определяет не только размерную сетку, но и требования к качеству контактных поверхностей, выбор материалов и методику расчета массы. Процессы производства и маркировки изделий базируются на положениях DIN 2519, а требования к уплотнительным поверхностям соответствуют DIN 2526.
Материалы изготовления
- Нержавеющие стали (аустенитные и ферритные классы).
- Углеродистые стали стандартного качества.
- Легированные конструкционные стали.
- Жаропрочные и коррозионностойкие сплавы.
Фланцы из стали марки С22, выполненные в соответствии с данным стандартом, сохраняют номинальные показатели давления при температурах рабочей среды до 120°C. В температурном диапазоне от 120°C до 300°C расчетная нагрузочная способность снижается пропорционально падению предела текучести материала.


Важное примечание от EV Group China: Стандарт DIN 2633 официально переведен в статус архивных. Современное проектирование и производство воротниковых фланцев данного типа осуществляется в строгом соответствии с актуальным стандартом DIN EN 1092-1 (тип 11B).