Сферические и конические шайбы DIN 6319: назначение и применение

Назначение и техническая роль шайб DIN 6319

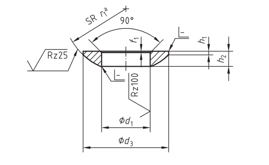
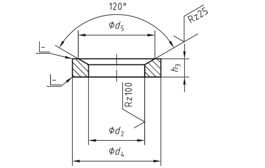
Стандарт DIN 6319 регламентирует геометрические характеристики, материалы и конструктивное исполнение сферических и конических шайб. Данные метизы спроектированы для компенсации осевых перекосов и распределения усилий зажима в узлах, где сопрягаемые поверхности не параллельны друг другу. Комбинированное использование сферической и конической шайб обеспечивает возможность юстировки крепежного элемента (болта или шпильки) с угловым отклонением до 3°.

Для работы в составе зажимных приспособлений с продольными пазами (согласно стандартам DIN 6314, 6315, 6316) применяются исключительно конические шайбы формы G. В свою очередь, конические шайбы формы D предназначены для стандартных крепежных соединений и не рекомендуются для использования в пазах с продольным смещением.

Классификация шайб по стандарту DIN 6319:

Сферическая шайба DIN 6319

Форма C – Сферическая шайба, обеспечивающая плотное прилегание при угловых отклонениях.

Коническая шайба DIN 6319

Форма D и G – Коническая шайба, ответная часть для создания самоцентрирующегося узла.

Технические материалы изготовления

  • Форма C, D: нелегированная сталь с высокими прочностными характеристиками.
  • Форма G: сталь, прошедшая термическую обработку для повышения износостойкости и твердости.

Специалисты EV Group China отмечают: выбор конкретной марки стали для производства шайб остается прерогативой производителя в рамках обеспечения заданных механических свойств компонента.

Отправить запрос

Для заполнения данной формы включите JavaScript в браузере.