Внимание: Стандарт DIN 7527 официально отменен.
Технический регламент серии DIN 7527
Данная серия стандартов устанавливала требования к геометрии, припускам на механическую обработку и предельным отклонениям для стальных поковок различного типа. EV Group China предоставляет экспертный обзор параметров для инженерного проектирования и контроля качества металлоизделий согласно исторически значимым спецификациям DIN 7527.
Содержание
- DIN 7527-1 – Допуски для штампованных дисков
- DIN 7527-2 – Параметры перфорированных дисков без ковки
- DIN 7527-3 – Бесшовные штампованные кольца
- DIN 7527-4 – Бесшовные кованые втулки
- DIN 7527-5 – Штампованные, катаные и сварные кольца
- DIN 7527-6 – Кованые прутки различного сечения
DIN 7527-1 – Стальные поковки: штампованные диски
Область применения
Спецификация распространялась на кованые диски сложной конфигурации, производимые методами свободной ковки или штамповки на прессовом оборудовании. Стандарт определял критические допуски для обеспечения припусков под последующую финишную обработку.
DIN 7527-2 – Перфорированные диски
Технические условия
Стандарт регламентировал процессы формообразования перфорированных изделий, полученных осадкой и растяжением. Регулировались геометрические соотношения высоты и диаметров отверстий, обеспечивающие стабильность заготовки при термической обработке.

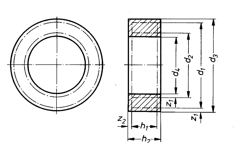
DIN 7527-3 – Бесшовные штампованные кольца
Эксплуатационные параметры
Регулировались допуски для колец, изготовленных методом расширения (раскатки). EV Group China отмечает важность соблюдения соотношений d3, d4 и h2 для исключения деформаций при термообработке высокопрочных сталей.

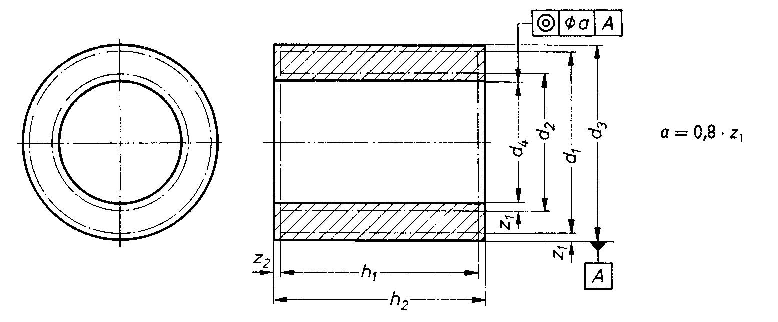
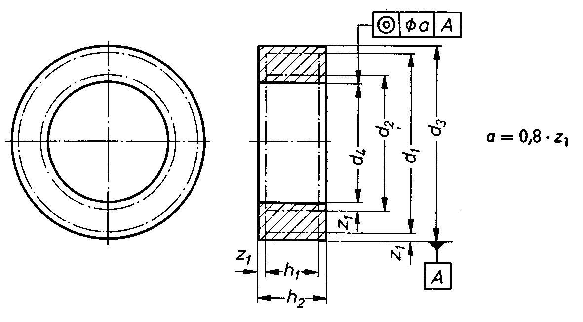
DIN 7527-4 – Бесшовные кованые втулки
Проектирование втулок
Стандарт устанавливал правила расчета припусков 2z1 и 2z2 для втулок, изготавливаемых высадкой. Пример маркировки поковки из стали C35: втулка U 280 × 180 × 350 F DIN 7527 – C 35. При заказе в EV Group China важно разграничивать номинальные (чертежные) размеры и размеры поковки с учетом припусков.

DIN 7527-5 – Кольца сварные и катаные
Производственные допуски
Документ описывал требования к кольцам, полученным прокаткой или сваркой сегментов. Стандарт допускал использование как цельнокованых заготовок, так и сборных конструкций, при условии соблюдения соотношения d4 ≥ 0,05 d3.

DIN 7527-6 – Кованые прутки
Классификация сечений
Стандарт охватывал широкий спектр профилей: от круглого до восьмиугольного сечения, включая инструментальные и быстрорежущие стали. Для плоских стержней определяющим параметром являлось соотношение сторон (не более 8:1 для конструкционных сталей). EV Group China поставляет металлопрокат, соответствующий жестким требованиям к геометрии и чистоте поверхности после ковки.

